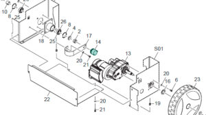
Enconder de pulsos de subida y bajada
231,34 € SIN IVA
Recambio del enconder de pulsos de subida y bajada para la gamma de Robots S7.
- Descripción
- Información adicional
- Valoraciones (0)
Descripción
Enconder de pulsos de subida y bajada
El encoder es un dispositivo esencial para el control de un Robot S7, ya que registra y transmite información crucial sobre los pulsos de subida y bajada.
La capacidad del encoder para codificar de manera eficiente estos cambios en los pulsos facilita un control preciso y fiable del Robot S7 en sus tareas y movimientos.
Vista detallada:
Información adicional
| Peso | 0,19 kg |
|---|---|
| Dimensiones | 4 × 4 × 6,5 cm |
| Largo (mm) | 40 |
| Ancho (mm) new | 40 mm |
| Alto (mm) | 65 |
| Unidades/caja | 1 |



Valoraciones
No hay valoraciones aún.